CONTACT US
400 - 880 - 3995PROFIBUS DP編碼器總線輸出OCF-DPC1B-0016-C100-H3E,編碼器是用來測量轉速的裝置,光電式旋轉編碼器通過光電轉換,可將輸出軸的角位移、角速度等機械量轉換成相應的電脈沖以數字量輸出(REP)。它分為單路輸出和雙路輸出兩種。技術參數主要有每轉脈沖數(幾十個到幾千個都有),和供電電壓等。單路輸出是指旋轉編碼器的輸出是一組脈沖,而雙路輸出的旋轉編碼器輸出兩組A/B相位差90度的脈沖,通過這兩組脈沖不僅可以測量轉速,還可以判斷旋轉的方向。
編碼器把角位移或直線位移轉換成電信號,前者稱為碼盤,后者稱為碼尺。
按照讀出方式編碼器可以分為接觸式和非接觸式兩種;按照工作原理編碼器可分為增量式和絕對式兩類。
增量式編碼器是將位移轉換成周期性的電信號,再把這個電信號轉變成計數脈沖,用脈沖的個數表示位移的大小。
編碼器的每一個位置對應一個確定的數字碼,因此它的示值只與測量的起始和終止位置有關,而與測量的中間過程無關
PROFIBUS DP編碼器總線輸出OCF-DPC1B-0016-C100-H3E
產品參數如下:
接口 Profibus(現場總線)
Profil DPV0, DPV1 和 DPV2 Class 2 (EN50170 + EN50254)
傳輸速率 Round Axis
傳輸速率 ≤12M波特
編程功能 分辨率,傳動系數(物理分辨率),速度比例+過濾器,預設(零點),計數方向,限位開關,節點號,示教模式,診斷模式
輸出
輸出驅動器 Profibus數據接口,光耦隔離
電氣數據
電源電壓 10 – 30 VDC
傳感器
技術 光學
單圈分辨率 16 位
精度 (INL) ±0.0220° (14 – 16位), ±0.0439° (<13位)
認證 認證/壽命 碼制 碼 二進制碼
環境規格
外殼防護等級 (軸) IP65
外殼防護等級 (外殼) IP66/IP67
工作溫度 -40 °C (-40 °F) - +85 °C (+185 °F)
存儲溫度 -40 °C (-40 °F) – +85 °C (+185 °F)
濕度 98%相對濕度, 無凝結狀態
機械數據
連接帽材料 鋁
外殼材料 鋼
外殼涂層 陰極防腐蝕防護(> 720小時耐鹽霧測試)
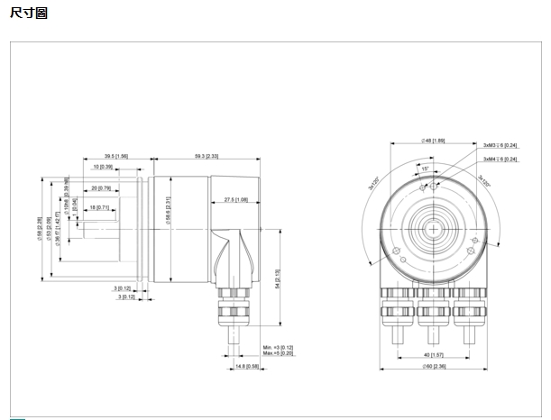
法蘭形式 夾緊法蘭, ? 58 mm
法蘭材料 鋁
軸的類型 實心軸, 單面平坦型軸, 長度 = 20 mm
軸的直徑 ? 10 mm (0.39")
軸的材料 不銹鋼 V2A (1,4305; 303)
最大軸負載 軸向 40 N (4.5 lbs), 徑向 110 N
最小機械壽命 430 (20 N / 40 N), 150 (40 N / 60 N), 100 (40 N / 80 N), 55 (40 N / 110 N)
轉子轉動慣量 ≤ 30 gcm2 [≤ 0.17 oz-in2]
摩擦力矩 ≤ 3 Ncm @ 20 °C (4.2 oz-in @ 68 °F)
最高機械速度 ≤ 12000 1/min
耐沖擊性 ≤ 100g (6毫秒半弦波, EN 60068-2-27)
持久的抗沖擊性 ≤ 10G(16毫秒半弦波,EN60068-2-29)
耐振動性 ≤ 10 g (10 Hz – 1000 Hz, EN 60068-2-6)
長度 69,5 mm (2.74")
重量 465 g (1.03 lb)
電氣連接
連接方向 徑向
連接類型 3 x Cable Gland Zone2+22
連接類型 可拆卸便于更換新電纜組件的編碼器沒有可見的節點號,旋轉開關,沒有主動元件,輸出總線端接電阻也大彈簧夾

上一篇: RADIO-ENERGIE測速電機
下一篇:ssi拉線盒編碼器